WHS蝸輪減速機
作者:漢頓傳動設備(山東)有限公司
來源:
時間:2019-05-10

WHS
減速機,符合部頒標準JB2318-79,達到標準化、系列化的要 求。適用于冶金、礦山、起重、運輸、化工、建筑等各種機械設備的減速傳動。本系列
減速器輸入功率范圍在0.4-163KW之間;輸入扭矩在 11-2600kgf·m之間,輸入軸轉數一般不大于1500轉/分;高速軸可正反兩向運轉;工作環境溫度低于0℃時,起動前潤滑油必須加溫到0℃以上。
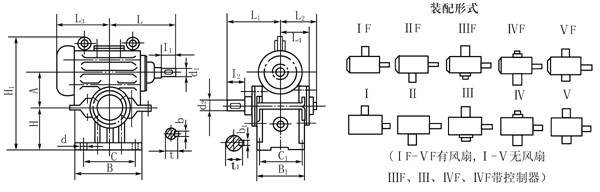
減速機型號表示方法:
舉例說明: WHS400-60 IF
WHS-
蝸桿在
蝸輪之上的圓弧齒圓柱
蝸輪減速機
400代表中心距(MM)
60代表公稱傳動比
F代表裝配形式